Muzique logo AMZ Guitar Effects Blog

AMZ Double Tone

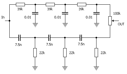
Expanding the BMP Tone Control

This is the classic tone stack from the Big Muff distortion pedal. It is basically a pair of filters whose output is combined through the 100k mix pot. The 39k/.01 filter passes only low frequencies and attenuates the highs. The 3900pF/22k filter does the opposite; it passes highs and filters out the lows. The 100k pot blends together the signal from each filter and therefore acts as a tone control.

The values shown here are from the vintage Muff pedal, but even on that classic box, the values sometimes varied slightly from those shown.


We can alter the response of the tone control in an interesting manner merely by including an additional set of R-C filters to the control. The frequency rolloff is essentially doubled and sounds outside the filter band are rejected more effectively. This can be a musically useful modification to the basic tone control.


There is always someone that wants to take an idea even further so I anticipate that it won't be long before it is asked if the tone control could be extended to another set of components. Of course it can, as shown here.

Note that the values of the capacitors on the lower signal path have been increased from 3900pF to 7500pF (7.5n). This was done to prevent the typical notch in the audio produced by this tone control from being too deep and sounding like an effect on its own.

All of these tone control networks are lossy and work best if driven by a fairly strong signal. The Big Muff, for example, has a transistor amplifier stage after the tone control to bring the signal back up to a reasonable level.

Use this idea as you wish but give credit to where you learned about the idea! A link would be nice too...

 


AMZ-FX Home Page       Lab Notebook Main Page       Guitar Effects Blog

©2006 Jack Orman
All Rights Reserved

Privacy Policy