Muzique logo AMZ Guitar Effects Blog

LED Popping

Stop the LED Indicator Noise

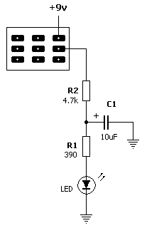
This is the typical method to connect an LED indicator to a 3PDT switch used to bypass a pedal circuit. When the switch contacts are in the "up" position, the connection is made through the LED to ground and it will light up. In certain circuits, mostly those with high gain, the sudden surge of current as the LED is switched on will cause an audible pop in the audio.

This offensive noise can be eliminated by the addition of two components which make a delay circuit which will slow the turn-on of the LED and limit the current surge.


Here we have added R2 and C1 to the indicator circuit and adjusted the value of R1. The R2-C1 circuit provides the very slight delay that prevents the pop sound, but the LED still lights up fast enough that the eye cannot see the delay. You might ask, why not just add the C1 capacitor and not have R1 in the circuit? The 390 ohm resistor limits the current in the LED when C1 dumps its charge as the switch is toggled. These spikes might otherwise shorten the life of the LED or even cause it to burn out.

The R2 value should first be selected that gives you the proper brightness with the LED that is being used. If the LED indicator circuit is still causing a pop in the audio, you can increase the value of C1 to 22uF or even 47uF as needed.


An alternate connection method is to break the LED power source before the current limiting resistors. This will let the LED bleed off the C1 voltage when the pedal is bypassed, and may work well for some designs.


A variation of the circuit would be to change the current limiting resistor to a 5k trimpot that allows you to dial in the best position for click reduction. Start with the wiper at the bottom so you have the circuit as presented here, then adjust it in small increments to see what setting gives the best performance.

The ground wire from the LED should be connected directly to a chassis ground point... I use the ground lug on the input or output jack. The LED pop is usually only a problem on high gain circuits that do not have power supply filtering. Examples of this are the Fuzzface and the LPB2 booster. If the circuit does have an R-C filter for the power supply, it is best to take the power for the LED from the positive battery lead and not after the R-C filter.

There you have the simple solution to a sometimes annoying problem!

Update: Sometimes it is not the LED nor leaky capacitors causing the pop, especially with high gain pedals. Read more about popping pedals.

 


AMZ-FX Home Page       Lab Notebook Main Page       Guitar Effects Blog

©2006 Jack Orman
All Rights Reserved

Privacy Policy