Muzique logo AMZ Guitar Effects Blog

More Saturation Controls

Expanding the Tone of Diode Clipping

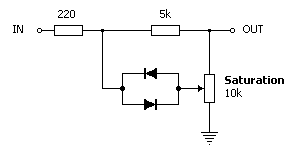
In previous articles I discussed methods of adjusting the clipping depth of a distortion circuit and other methods for warping the clipping thresholds to produce additional harmonics and overtones. The circuit shown here is a simple method to soften the distortion characteristics by inserting some resistance in series before the clipping diodes.

When the pot adjustment is to the left, there is less resistance and the clipping is more harsh than when adjusted to the right. The difference is small but noticeable and allows fine-tuning of the distortion sound.



A simple rearrangement of the diode positions turns the circuit into a warp control, where the diode clipping the positive peaks is fixed and the softness is only adjusted for the diode clipping the negative peaks. This will be a different sound than the previous example and will contain more even order harmonics.

A clipping circuit similar to this was used in the patent for the Aphex exciters.


If we move the diode ground connection to a series position as in this example, we have an adjustable crossover distortion circuit. The signal level must exceed the forward threshold of the diodes in order for them to begin to conduct. This produces a "notch" in the output much like crossover distortion from early solid-state amplifiers.

The variable resistance allows a blend of direct signal with the crossover signal which lessens the harshness inherent in this type of distortion.

I would suggest Germanium or Schottky diodes for this circuit since they have lower forward voltage thresholds and will kick into operation with a smaller input signal, and sound more natural.

You could even combine this crossover distortion circuit with one of the previous Saturation controls for an unusual clipping combination. Example:
With the potentiometer turned to the left end, you will get hard clipping and crossover distortion - a nasty combination. When the pot is turned to the right side, the crossover distortion is gone and you get only the softened distortion sound.

Can you figure out why the LEDs were used for clipping?


With a little thought, an even more innovative clipping combination is possible. Here we have a single control that allows a smooth variation between traditional diode clipping and crossover distortion!

When the wiper is oriented to the top, the signal will have to exceed the threshold of the diodes in order to pass the sound, which results in the crossover-type of distortion. With the wiper turned to the opposite end of the pot, it is grounded and the diodes are acting as a pair of back-to-back hard limiters.


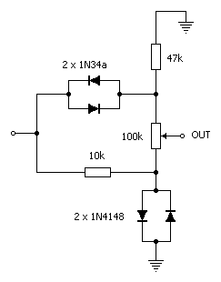
Another way to blend crossover distortion with diode clipping is to split the signal into two paths and process each differently as shown here.

Note that in this circuit, two different types of diodes are used for the pairs, which allows each set to be chosen specifically for the optimum characteristics required.

The top set of 1N34 germanium diodes are producing the crossover distortion and the bottom set of 1N4148 silicon diodes are hard limiting the signal.

The 100k pot is a mix control that blends the signals together.


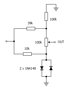
If the crossover distortion is not desired in the processed signal, you can replace the series diode pair with an resistor/capacitor network (3.9n/22k) as shown here, which forms a high pass filter. The mix control now adds a bit of undistorted high frequency signal in with the diode clipped signal.

When properly adjusted, there is some clarity and sparkle added to the audio, and is quite unlike other clipping setups.

This circuit would be good to use with Dist+ or similar fuzz circuits.


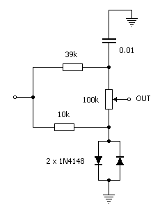
If we change the position of the resistor/capacitor network (39k/0.01uF) to form a low pass filter, the mix control can now be used to add some undistorted lows in with the clipped signal. The effect adds some bottom or fatness to the sound. I would use it with Rat-type distortions that could benefit from the bass boost.

Of course, with any of these clipping circuits you could substitute different diodes, transistor junctions, LEDs, or other types of clippers to produce different distortion characteristics.


Lastly, the capacitor is removed from the top signal path of the network and replaced with a resistor. Now a full range signal is mixed with the clipped audio according to the position of the 100k mix control.

This type of mixed clipping - straight signal with clipped signal - is excellent for use with bass guitars.

 

 

 

 



Use these clipping circuits as you like but please give credit to where you learned about them, and link to this site. Thanks!


AMZ-FX Home Page       Lab Notebook Main Page       Guitar Effects Blog

©2007 Jack Orman
All Rights Reserved

Privacy Policy