Muzique logo AMZ Guitar Effects Books

9v Power Isolator

DC-DC conversion with an isolated output


©2019 By Jack Orman

I first became seriously interested in isolated DC-DC converters back in 2013 when a friend, who is a commercial pedalmaker, asked me to work on a power supply design he was thinking about introducing. The idea was to have a single wall-wart power brick that drove several isolating circuits. We traded ideas for a month or two and eventually the project was abandoned (for the second time).

Even so, my interest in isolated converters continued and I developed a different version that subsequently was incorporated into the AMZ power supply design.

The chip that I settled on for my power supply was smaller and simpler than the one from the previous project. In the course of developing the design, I built a standalone prototype of the converter that takes a 9v DC input and galvanically isolates the output (still 9v) so that pedals powered by it are less susceptible to ground loops and hum.

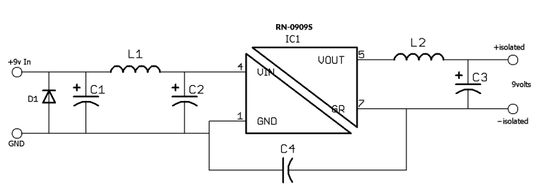
The converter module is the Recom RN-0909S that can supply up to 140 ma of isolated 9 volts DC. Efficiency is 75% to 80%. This means that the 9v input source should be capable of supplying 200ma minimum.

The datasheet for the module claims 75mv pk-pk output ripple and noise, but I found it to be higher than the spec. Even so, it is more quiet than a charge pump and the 165kHz clock frequency is far above the range of hearing, so it is easily filtered out. Note that the measured clock is higher that the frequency claimed on the datasheet, and is typical of the inconsistencies that I found with the chip data.

Since I did not have a footprint for the module to use with Eagle CAD, I had to create one for use in my designs. Once that was done, a few prototype pc boards were ordered so that it could be tested.

The schematic is straight out of the datasheet for the isolator module and was found to perform quite well. Since the plus and minus outputs are floating, the circuit can be wired up for negative ground, as used by most pedals, or connected with positive ground to power germanium PNP transistor circuits with a negative voltage. (Only one grounding method may be used for each module output.)


Parts List

C1,C3 - 10uF
C2 - 4.7uF
L1,L2 - 470uH inductor
D1 - 1N4001 diode
IC1 - Recom RN-0909S

Note that C4 is included on the pcb but was not used. Also, the output of the module should have a load of several milliamps before trying to measure the output voltage. I normally use a red LED with a 1k to 1.5k resistor in series as the load.

The actual parts that were used on the prototype were:

Mouser Part #: 919-RN-0909S
Manufacturer Part #: RN-0909S
Manufacturer: RECOM Power

Mouser Part #: 710-7447471471
Manufacturer Part #: 7447471471
Manufacturer: Wurth Electronics
Description: Fixed Inductors WE-TIS Lead Rad 1111 470uH .85A .58Ohm

Mouser Part #: 810-FK26X7R1E106K
Manufacturer Part #: FK26X7R1E106K
Manufacturer: TDK
Description: Multilayer Ceramic Capacitors MLCC - Leaded 10uF 25volts X7R +/-10%

Mouser Part #: 810-FK26X7R1E475K
Manufacturer Part #: FK26X7R1E475K
Manufacturer: TDK
Description: Multilayer Ceramic Capacitors MLCC - Leaded 4.7uF 25volts X7R +/-10%

The Recom module and the wirewound inductors are expensive, and one way to lower cost is to use 2.2 ohm 1/4w resistors instead of the inductors. There should be little difference in performance for pedal applications.

There are plenty of cheap DC-DC converters from China that sell in the $3 or $4 range listed on Ebay, but almost all of them have common grounds between the input and output, and therefore are not isolated. If you have one, an easy way to test this is to set your multimeter for resistance testing and put one probe on the input ground and the other probe on the output ground. A continuity beep or a reading close to zero ohms will mean that there is no isolation. An isolated converter should show infinite ohms (no continuity) between the input and output grounds.

Share this article with your Twitter followers:


AMZ-FX Home Page       Lab Notebook Main Page       Guitar Effects Blog

©2019 Jack Orman
All Rights Reserved

Privacy Policy