Muzique logo AMZ Guitar Effects Blog

Tone Clippers

A New Method of Signal Clipping for Effects

This is the classic tone stack from the Big Muff distortion pedal. It is basically a pair of filters whose output is combined through the 100k mix pot. The 39k/.01 filter passes only low frequencies and attenuates the highs. The 3900pF/22k filter does the opposite; it passes highs and filters out the lows. The 100k pot blends together the signal from each filter and therefore acts as a tone control.

The values shown here are from the vintage Muff pedal and will produce a dip in the mid-range response because the response of the 2 filters does not overlap exactly, which leaves a gap around 1.2k Hz. This is part of the characteristic sound of the original pedal.

By changing the values of the R-C pairs, different responses can be obtained and the dip in the mid-range can be eliminated, accentuated or moved to another frequency center. This is a common practice in pedal design to obtain an unusual sound, or a smoother, more even response. This tone circuit is simple but flexible.

We can build on the circuit to extend the possibilities by using it as part of a diode clipping network. In this schematic, a pair of clipping diodes have been added on the low-pass filter. This means that the bass frequencies are clipped while much of the highs will pass through unaltered. The tone knob is used to blend the clipped lows and clean highs together -- as the knob is rotated to the low side, the response will be fuzzier with less high frequency response, and when it is turned the opposite direction, the signal will clean up and have a trebly sound. What an innovative approach!


If we move the diodes to the high pass filter, a totally different fuzz sound is achieved. The highs will clipped, and therefore crisp and sharp while the blended audio will retain much of the original bass response. Once again, the 100k pot is used to mix the signals together.



It can be taken even further by using clipping diodes on each filter but by using different types of diodes, the clipping threshold will be different for the two signal paths.

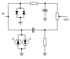
In this variation, the low frequencies are clipped by a pair of LEDs while the highs, which are typically lower in volume, are clipped by silicon diodes with a lower threshold. This provides a nice balance and a unique sound.



Of course you can switch positions of the diode clippers and get yet another type of sound. With this version the bass will be buzzy and the highs will come through cleaner.



You are probably thinking, "What if you moved the diodes to the front of the tone control?", as shown here. It will not work to separate the clipping paths, for obvious reasons (look at the path from diodes to LEDs).



If we make the circuit slightly more elaborate, the two filter sections of the tone control can be driven by individual opamp sections, which produces a different sound than the simpler method shown above. It also has the advantage that each of the clipping paths has its own Drive control! Now there can be variable gain as well as different clipping levels on each of the signals, which adds an extra layer of versatility. This version is a schematic for a unique pedal, complete with high and low drive controls, a tone control (mix), and output volume knob.



An SPDT switch with a center-off position makes a useful addition to the fuzz design. It allows the clipping threshold to be adjusted to 3 different levels merely by flipping the switch. The back-to-back pair of silicon diodes clip quicker than LEDs and when they are connected to one side of the signal path, the signal is clipped at the lower level of the diodes and the LEDs are effectively out of play. Obviously, the switch idea works just as well for the version with the clippers after the tone control. The tone stack has been modified with the "Double Tone" technique shown in the related AMZ Lab Notebook article.


The same ideas for clipping diodes can be applied to other types of tone control networks. Shown here is the vintage Bassman tone stack on which are labeled three points (A,B,C) for possible diode clippers. A suggested starting point is to use 3 different sets of diodes; germanium (1N34a), silicon (1N914) and LEDs. The back-to-back LEDs would be connected at point B, the germaniums at point A and the silicon diodes at point C. Or, try leaving off the diodes at point A to allow clear highs and clip the mids (point C) with germaniums for maximum mid-range penetration. The many permutations will produce a combination of clipping tones that are endless!


There are plenty of ideas from this article to work with, and lots of new sounds left to be discovered. Schottky and germanium diodes can also be used to further expand the range of available tones. If you use any of these clipping ideas, remember to give credit where you learned about it. Thanks!

 


AMZ-FX Home Page       Lab Notebook Main Page       Guitar Effects Blog

©2006 Jack Orman
All Rights Reserved

Privacy Policy